
買貴退差價
終身質保
3C認證
消費者信賴產品
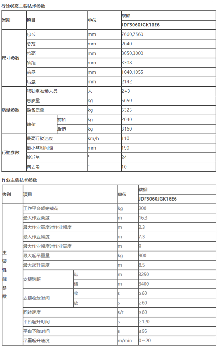
國六東風16米高空作業車是一款雙排座高空作業車,采用東風原裝雙排駕駛室底盤,三節折臂式臂架,H型支腿,穩定性好,安全性高,最大作業高度達16米,用于搶修電力、通訊、路燈等高空作業.






國六東風16米高空作業車產品特點:
1、臂架和支腿均采用4-5㎜低合金Q345型材,上下臂截面230×230×4和200×200×4,支腿箱截面230×160×5和215×145×5;型材變形小,受力大,強度高;
2、臂架與轉臺各轉動聯結軸套采用專用工裝定位,焊后用龍門加工中心加工,保證配合精度;
3、油缸首尾軸套和缸座聯結軸套加長,增大接觸面,受力更穩定;
4、吊臂臂頭、下臂臂頭和上下臂升降油缸缸座結構設計更新,連接更穩固和可靠,外觀更漂亮;
5、各轉動連接部位增加自潤滑軸承,動作更靈活,配合精度更高,維修更換軸承更方便;
6、切割件采用激光切割下料,外型美觀,精度高;
7、結構件及配套件輕量化設計,減重重量,節省燃油;
8、H型支腿穩定性好,支腿可同時或單獨操作,操作靈活,能適應多種工況;
9、支腿加裝保護罩,支撐更穩定;
10、回轉機構采用可調節式,方便調節;
11、轉臺雙向360°連續回轉,采用了先進的渦輪蝸桿式減速機構(具有自潤滑和自鎖功能),后期維護也可方便的通過調整螺栓位置輕松達到效果;
12、上車操作采用集成電控閥塊模式,布局美觀,操作平穩,維護方便;
13、下車與上車互鎖,操作安全、可靠;
14、上車操作通過節流閥實現手動無極調速;
15、工作平臺采用拉桿機械式調平,更加穩定和可靠;
16、轉臺和吊籃設有啟動和熄火開關,操作方便,節省燃油;
17、操作方位全部更新到車輛右側,保證操作人員安全;
18、外觀涂裝設計更新,顏色搭配更靚麗;




